cursus/Old/SolderingCourse2023
..
Layout.png
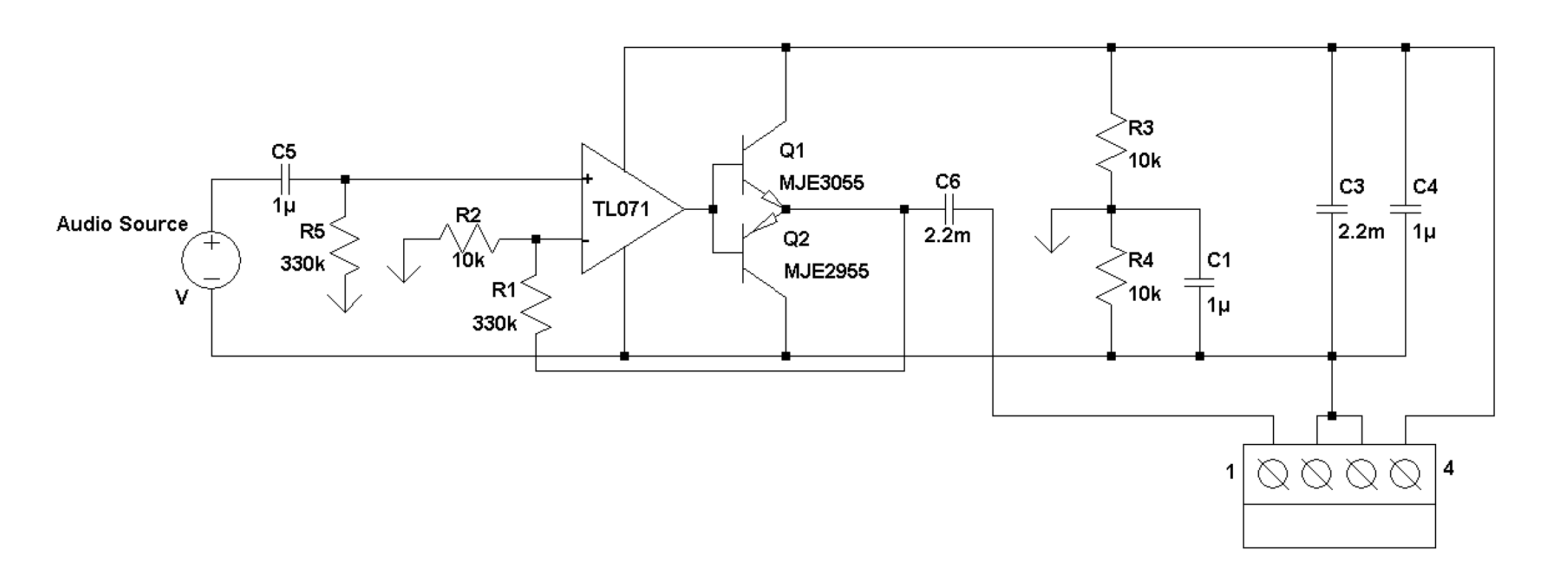
Schematic.png
Soldering Course Presentation 2023.pdf
Soldering Course Presentation 2023.pptx
docu.pdf